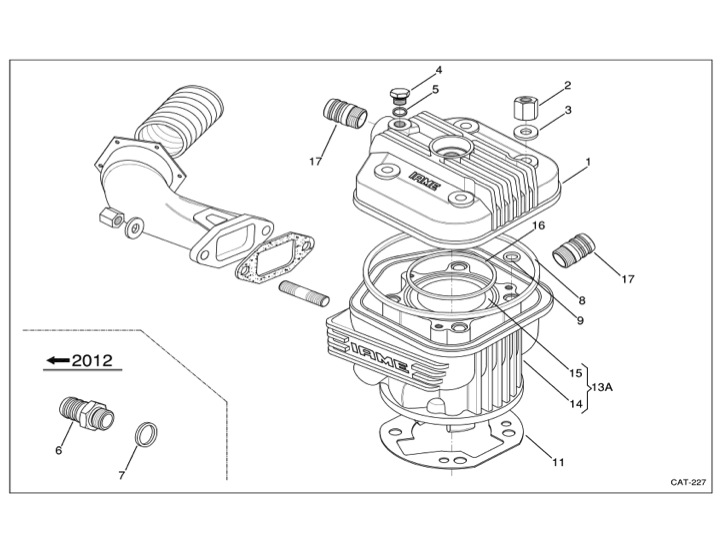
X30 HEAD AND CYLINDER

Slide1

 

Pos. Code Description

[wpsc_products category_id=’46’]